- Home /
- Tractor & PTO /
- 40Hp Slasher Gearbox 1-1.93
Shop Now
- Abrasives & Drilling
-
Adhesives - Sealants - Paints - Cleaners
- Assortment Kits
- Automotive
- Automotive - Degreaser & Cleaners
- Backing - Impact & Rebuilding Compounds
- Chemical Anchors
- Construction Adhesives
- Contact Adhesives
- Cutting Liquids & Pastes
- Detecting
- Dispensing Tools
- Gasketing & Silicone Sealants
- Graphite Powder
- Hand Cleaner
- Household Cleaners
- Instant Bonding
- Metal Repairs
- Paint
- Primers - Activators - Cleaners
- Retaining
- Structural Bonding
- Tamper Proofing
- Thread Sealing
- Threadlocking
- Welding
-
Bearings & Housings
- Adaptor Sleeves - Lock Nuts & Washers
- Bearing Units (Housing & Bearing Complete)
-
Bearings
- AGRI Hubs
- Ball (Deep Groove)
- Ball (Max Capacity Deep Groove)
- CARB Toroidal
- Cam Followers
- Cylindrical Roller Bearing
- Double Row Angle Contact Ball bearing
- Double Row Ball (Deep Grove)
- Self-Aligning Ball Bearing
- Single Row Angle Contact Ball Bearing
- Spherical Plain Bearings
- Spherical Roller
- Spherical Thrust
- Tapered Roller
- Thrust
- Trailer Wheel Bearing Kits
-
Wide Inner Ring (Insert Bearing)
- CSA / KHR / ENR / SAA (Locking Collar - Flat OD - Flat Back)
- CSB (Grub Screw - Flat OD - Flat Back)
- SER / UR / FSB / UCS (Grub Screw - Flat OD - With Snap Ring)
- UC / YAR / UCX (Grub Screw - Extended Inner Ring)
- UK / UKX / YSA (Tapered Bore - suit adapter sleeve)
- YAT / SB / UB (Grub Screw - Flush Back)
- YEL / NA / HC / UEL / EW (Locking Collar - Extended Inner Ring)
- YET / SA / AEL / EN (Locking Collar - Flush Back)
- Bronze Bar
- Bushes
- Circlips - Retaining Rings - E-Clips
-
Housings & Accessories
- Spherical Roller - Housings & Accessories
-
Wide Inner Ring (Insert) Housings
- Cartridge
- End Cover
- F / FX / FY / FYJ (4 Bolt Flanged Square)
- FA (Adjustable Flanged)
- FB (3 Bolt Flanged Bracket)
- FC / FCX / ME (4 Bolt Round Flanged Cartridge)
- FL / FYTB (2 Bolt Oval Flanged)
- HA (Hanger)
- LF / FD / FW / FLCT (2 Bolt Oval Flanged)
- P / PX / SY / SYJ (2 Bolt Pillow Block)
- PA / SYF (Tap Base Pillow Block)
- PF ( Pressed Round)
- PFL (Pressed Oval)
- PFT (Pressed Triangle)
- PP (Pressed Pillow)
- Rubber Inserts
- SB / SBX (Saw Bench)
- T / TU / TUJ / TX (Take-Up)
- TUF (Take-Up Frame)
- Individual Balls (Chrome - Stainless - Carbon)
- Rodends
- Bolts & Fasteners
- Engineering Supplies
- Filters
- Lubrication
-
Materials Handling
- Castors - Wheels - Floor Locks - Tubes
- Conveyors
- Gate Hardware
- Lazy Susan Bearings
-
Lifting
- Beam Clamps
- Boom Cranes
- Chain Blocks
- Chain Slings
- Electric Hoists
- Girder Trolleys
- Lever Blocks
-
Lifting Chain & Components
- Excavator Hooks with Safety Latch - Weld On
- Hammer Type Connecting Links
- Lifting Chain
- Multi Master - Oblong Links
- Pannel Clutches
- Self Locking Hooks - Clevis
- Self Locking Hooks - Eye
- Shortening Clutches - Clevis
- Shortening Grab Hooks - Clevis
- Shortening Grab Hooks - Eye
- Single / Double - Oblong Links
- Sling Hook With Safety Latch - Clevis
- Sling Hook With Safety Latch - Eye
- Swivel Lifting Points
- Swivel Self Locking Hooks - Eye
- Swivel Sling Hooks With Safety Latch - Eye
- Weld On Lifting Lugs
- Lifting Shackles - Eye Nuts - Bolts
- Plate Clamps
- Slings - Flat
- Slings - Round
- Load Restraints
- Matting
- Non Rated - Shackles & Hardware
- Storage
- Trolleys & Tables
- Winches
- Power Transmission
-
Safety
- Eye Protection
- Face Protection
- First Aid
- Footwear
- Hand Protection
- Hazardous Storage Cabinets
- Head Protection
- Hearing Protection
- Height Safety
- Hydration & Sun Protection
- Protective Workwear
- Respiratory Protection
- Sanitiser
- Signage
-
Spills - Absorbents - Bunding
- Absorbent Dispensers
- Absorbent Granules & Neutralisers
- Absorbents
- Bunging & Spill Management
- Drain Protection
- Emergency Sealer
- Empty Wheeled Bins
- Erosion & Sediment Control
- Floor Bunding
- Industrial Wipes
- Portable Containment Bunding
- Spill Booms & Barriers
- Spill Kit Accessories
- Spill Kits
- Spills Kit Refills
- Steps & Ladders
- Tool Safety
- Welding Protection
- Sealing
-
Tools
- Air Tools
- Automotive & Workshop
- Cut - Scrape & Saw
- Gas Tools
- Measuring Tools
- Mounting & Dismounting
-
Pliers & Wrenches
- Adjustable Wrenches
- Cable Cutter Pliers
- Circlip Pliers
- Combination Pliers
- End Cutter Pliers
- Flat Nose Pliers
- Hose Clamp Pliers
- Locking Pliers
- Long Nose Pliers
- Multi Grip Pliers
- Pipe Wrenches
- Pliers Sets
- Riveters
- Side Cutter Pliers
- Speed Wrench
- Striping & Crimping Pliers
- Tin Snips
- Wire Pliers
- Wire Stripers
- Power Tools - 240v
- Power Tools - Battery Driven
- Promo Items
- Screwdrivers - Hex Keys & Fastening
- Sockets - Socket Sets & Accessories
- Spanners & Spanner Sets
- Striking & Prying
- Tool Box Inserts (Tools & Empty)
- Tool Boxes & Storage
- Tool Kits
- Tractor & PTO
- Trailer Parts
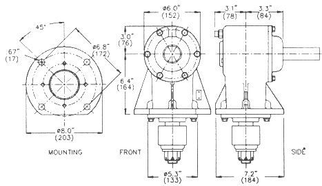
40Hp Slasher Gearbox 1-1.93
Stock Code:
B2666_BARECO
$498.88 incl GST
Stock Locations
-
Ballarat:Special Order
-
Shepparton:Special Order
Description
B2666 BARECO
40HP Slasher Gearbox (1:1.93)
Gearbox 40HP.
Specification:
Ratio: 1:1.93,
Housing: 60-45-10 Nodular,
Shafts: UNS G51200,
Gears: UNS G51200,
Seals: Triple Lipped, Spring Loaded,
Bearings: Deep Groove Ball,
Oil: EP-90, 26oz, 0.77l,
Weight: 50 lbs, 22.8kg,
Input Shaft: 1 3/8" x 6 spline.
A: 160mm (6.3").
Part Number: B2666
OEM part number: S.22238
OEM part number: S.22238
Still can't find what you're looking for? Our website is continuously being updated, so contact us by phone or email for anything else:
Phone:
03 5336 1111
Email:
online@iw.net.au
Details
-
Brand:Bare-CO