- Home /
- Tractor & PTO /
- 1 3/4X20 Fm/Ml Antclk Spr Cpl
Shop Now
- Abrasives & Drilling
-
Adhesives - Sealants - Paints - Cleaners
- Assortment Kits
- Automotive
- Automotive - Degreaser & Cleaners
- Backing - Impact & Rebuilding Compounds
- Chemical Anchors
- Construction Adhesives
- Contact Adhesives
- Cutting Liquids & Pastes
- Detecting
- Dispensing Tools
- Gasketing & Silicone Sealants
- Graphite Powder
- Hand Cleaner
- Household Cleaners
- Instant Bonding
- Metal Repairs
- Paint
- Primers - Activators - Cleaners
- Retaining
- Structural Bonding
- Tamper Proofing
- Thread Sealing
- Threadlocking
- Welding
-
Bearings & Housings
- Adaptor Sleeves - Lock Nuts & Washers
- Bearing Units (Housing & Bearing Complete)
-
Bearings
- AGRI Hubs
- Ball (Deep Groove)
- Cam Followers
- CARB Toroidal
- Cylindrical Roller Bearing
- Double Row Angle Contact Ball bearing
- Double Row Ball (Deep Grove)
- Self-Aligning Ball Bearing
- Single Row Angle Contact Ball Bearing
- Spherical Plain Bearings
- Spherical Roller
- Spherical Thrust
- Tapered Roller
- Thrust
- Trailer Wheel Bearing Kits
-
Wide Inner Ring (Insert Bearing)
- CSA / KHR / ENR / SAA (Locking Collar - Flat OD - Flat Back)
- CSB (Grub Screw - Flat OD - Flat Back)
- SER / UR / FSB / UCS (Grub Screw - Flat OD - With Snap Ring)
- UC / YAR / UCX (Grub Screw - Extended Inner Ring)
- UK / UKX / YSA (Tapered Bore - suit adapter sleeve)
- YAT / SB / UB (Grub Screw - Flush Back)
- YEL / NA / HC / UEL / EW (Locking Collar - Extended Inner Ring)
- YET / SA / AEL / EN (Locking Collar - Flush Back)
- Bronze Bar
- Bushes
- Circlips - Retaining Rings - E-Clips
-
Housings & Accessories
- Spherical Roller - Housings & Accessories
-
Wide Inner Ring (Insert) Housings
- Cartridge
- End Cover
- F / FX / FY / FYJ (4 Bolt Flanged Square)
- FA (Adjustable Flanged)
- FB (3 Bolt Flanged Bracket)
- FC / FCX / ME (4 Bolt Round Flanged Cartridge)
- FL / FYTB (2 Bolt Oval Flanged)
- HA (Hanger)
- LF / FD / FW / FLCT (2 Bolt Oval Flanged)
- P / PX / SY / SYJ (2 Bolt Pillow Block)
- PA / SYF (Tap Base Pillow Block)
- PF ( Pressed Round)
- PFL (Pressed Oval)
- PFT (Pressed Triangle)
- PP (Pressed Pillow)
- Rubber Inserts
- SB / SBX (Saw Bench)
- T / TU / TUJ / TX (Take-Up)
- TUF (Take-Up Frame)
- Individual Balls (Chrome - Stainless - Carbon)
- Rodends
- Bolts & Fasteners
- Engineering Supplies
- Filters
- Lubrication
-
Materials Handling
- Castors - Wheels - Floor Locks - Tubes
- Conveyors
- Gate Hardware
- Lazy Susan Bearings
-
Lifting
- Beam Clamps
- Boom Cranes
- Chain Blocks
- Chain Slings
- Electric Hoists
- Girder Trolleys
- Lever Blocks
-
Lifting Chain & Components
- Excavator Hooks with Safety Latch - Weld On
- Hammer Type Connecting Links
- Lifting Chain
- Multi Master - Oblong Links
- Pannel Clutches
- Self Locking Hooks - Clevis
- Self Locking Hooks - Eye
- Shortening Clutches - Clevis
- Shortening Grab Hooks - Clevis
- Shortening Grab Hooks - Eye
- Single / Double - Oblong Links
- Sling Hook With Safety Latch - Clevis
- Sling Hook With Safety Latch - Eye
- Swivel Lifting Points
- Swivel Self Locking Hooks - Eye
- Swivel Sling Hooks With Safety Latch - Eye
- Weld On Lifting Lugs
- Lifting Shackles - Eye Nuts - Bolts
- Plate Clamps
- Slings - Flat
- Slings - Round
- Load Restraints
- Matting
- Non Rated - Shackles & Hardware
- Storage
- Trolleys & Tables
- Winches
- Power Transmission
-
Safety
- Eye Protection
- Face Protection
- First Aid
- Footwear
- Hand Protection
- Hazardous Storage Cabinets
- Head Protection
- Hearing Protection
- Height Safety
- Hydration & Sun Protection
- Protective Workwear
- Respiratory Protection
- Sanitiser
- Signage
-
Spills - Absorbents - Bunding
- Absorbent Dispensers
- Absorbent Granules & Neutralisers
- Absorbents
- Bunging & Spill Management
- Drain Protection
- Emergency Sealer
- Empty Wheeled Bins
- Erosion & Sediment Control
- Floor Bunding
- Industrial Wipes
- Portable Containment Bunding
- Spill Booms & Barriers
- Spill Kit Accessories
- Spill Kits
- Spills Kit Refills
- Steps & Ladders
- Tool Safety
- Welding Protection
- Sealing
-
Tools
- Air Tools
- Automotive & Workshop
- Cut - Scrape & Saw
- Gas Tools
- Measuring Tools
- Mounting & Dismounting
-
Pliers & Wrenches
- Adjustable Wrenches
- Cable Cutter Pliers
- Circlip Pliers
- Combination Pliers
- End Cutter Pliers
- Flat Nose Pliers
- Hose Clamp Pliers
- Locking Pliers
- Long Nose Pliers
- Multi Grip Pliers
- Pipe Wrenches
- Pliers Sets
- Riveters
- Side Cutter Pliers
- Speed Wrench
- Striping & Crimping Pliers
- Tin Snips
- Wire Pliers
- Wire Stripers
- Power Tools - 240v
- Power Tools - Battery Driven
- Promo Items
- Screwdrivers - Hex Keys & Fastening
- Sockets - Socket Sets & Accessories
- Spanners & Spanner Sets
- Striking & Prying
- Tool Box Inserts (Tools & Empty)
- Tool Boxes & Storage
- Tool Kits
- Tractor & PTO
- Trailer Parts
1 3/4X20 Fm/Ml Antclk Spr Cpl
Stock Locations
-
Ballarat:Special Order
-
Shepparton:Special Order
Must be ordered in multiples of 17
Description
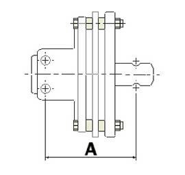
B6503 BARECO
Heavy Duty Cushion Coupling 1 3/4"X20SPL Fm/Ml AntiClockwise
Heavy Duty Cushion Coupling.
Dimensions
Diameter: 8" (200mm),
Overall Length: 8" (200mm),
Dimension "A": 5.9" (150mm),
Rotation: Anti-Clockwise.
Version: 1 3/4" x 20 splines female - male.
Patented Heavy Duty Cushion Coupling providing limited predetermined rotational travel whilst carrying a MASSIVE 2000 NM (1500 ft/lbs) of Torque.
Danish Super Valve Spring Quality drive springs combined with 1 piece heat treated Drive and Driven Plates provide ultimate reliability.
Designed for LARGE Multihead Cutters with Timed Blades which preclude the use of safety slip clutches.
Without the Bare-Co� Heavy Duty Cushion Coupling, these machines can suffer outer gearbox coupling & shaft failures due to the flywheel effect of associated cutter disks being combined with tractor PTO torque.
Replaces light duty rubber couplings.
Radial springs absorb shocks with radial travel limited to 1/2 " (12mm) to suit timed shaft applications (Rotary cutters with overlapping timed blades)
Still can't find what you're looking for? Our website is continuously being updated, so contact us by phone or email for anything else:
Phone:
03 5336 1111
Email:
online@iw.net.au
Details
-
Brand:Bare-Co